YZSL立式振動電機

YZSL立式振動電機概述:
YZSL立式振動電機是各類振動機的通用動力源,以其優良的性能,用以提高篩分效率和篩分精度,高效完成清理異型零部件表面質量,提高破碎或混料效果。應用范圍:振動光飾機、振動破碎機、旋振清理機、振動烘干機、振動混料機等設備,特別是大量配套于旋振篩(圓形震動篩)產品。廣泛應用于煤炭、冶金、電力、糧食、化工、鑄造、水泥、港口、醫藥、加工等行業。
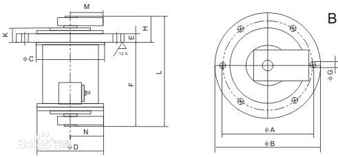
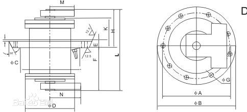
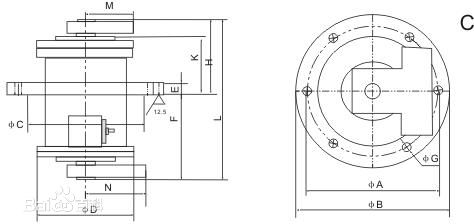
YZSL立式振動電機(三相異步電動機)主要有特制的立式電機和上下振子組成,裝配方式采用單法蘭結構使得立式振動電機安裝維護方便,提高主機對物料的處理能力;立式振動電機具有以下諸多優點:·體積小、重量輕、啟動迅速;· 噪音低、能耗低、效率高;·激振力易于無級調整且調節范圍廣、振動無機械傳導;·安裝便捷、維護簡單、壽命長。
YZSL立式振動電機特點:
YZSL立式振動電機外觀質量好,絕緣等級和防護等級高,能可靠應用于高塵高潮濕場所;電磁參數的設計符合振動電機的工作特性,起動更迅速,運行更平穩;選用名優廠家的特制耐振軸承,可靠性高,使用壽命長;電磁部位及軸承溫升在振動電機長時間連續運行時能得到有效控制,使得YZSL立式振動電機具有特長使用壽命。新鄉立式振動電機廠家在設計上精益求精,機械機構先進,耐振性能好,重量輕,體積小,激振力大且非常容易進行調節。
YZSL立式振動電機原理:
由立式電機本身運行產生易于調整的水平、垂直、傾斜等方向多元激振力,形成物料的快速平面分散、中心聚集、平面旋轉、三維旋轉等多種運動方式,用于控制排料速度、處理精度等機械性能指標,以其獨特的結構特點適應于不同的機械對振動源的要求。
YZSL異步振動電機使用條件:
海拔: <1000米
電源電壓:380V
電源頻率:50Hz
防護等級:IP44
接法:Y或Δ
絕緣等級:B
環境溫度:<40°C
相對濕度:< 90%
YZSL立式振動電機技術參數:
聯系我們
![]() | YZSL立式振動電機廠家地址:河南省新鄉市衛濱區八里營工業園 YZSL立式振動電機價格咨詢電話:15836073235 0373-2878260 歡迎掃描二維碼關注德誠手機網站 |