振動電機 DIANJI
聯系我們 CONTACT US
XVM-A系列振動電機
添加時間:2017/03/14

XVM-A振動電機的技術特點:
1.此型號振動電機系采用VIMARC先進技術設計生產的高品質振動電機。
2.先進的設計技術:所有參數的計算及其優化設計均由計算機工作站全面完成。精密的加工工藝、嚴格的質量體系,保證了振動電機工作狀態下各部件配合、承力在最佳范圍內。
3.特殊的電磁設計:振動電機所需要配置的定、轉子均采用具有優質導磁性能的硅鋼片,減少鐵芯的渦流損耗,保證強大的起動力矩,可快速達到額定運轉速度。
4.重載型軸承設計:所采用軸承均為重載型特制軸承,足以承受和傳遞徑向激振力和軸向負荷,并有良好的散熱能力。雙重密封設計,保證在嚴重粉塵環境下的軸承室清潔。選用進口耐高溫軸承鋰基脂潤滑油,延長軸承使用壽命。
5.無極調節:振動電機兩端的激振塊上標有精確的刻度盤,可以非常容易的調節激振力及工作力矩從零到最大的無極調節,滿足工作需要。
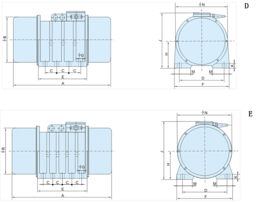
XVM-A振動電機安裝圖:
XVM-A振動電機參數:
系我們
![]() |
XVM-A振動電機廠家地址:河南省新鄉市衛濱區八里營工業園 XVM-A振動電機價格咨詢電話:15836073235 0373-2878260 歡迎掃描二維碼關注德誠電機手機網站 |